首页
产品中心
应用方案
新闻动态
合作伙伴
关于我们
公司介绍
联系我们
招聘信息
导航
首页
产品中心
应用方案
新闻动态
合作伙伴
关于我们
公司介绍
联系我们
招聘信息
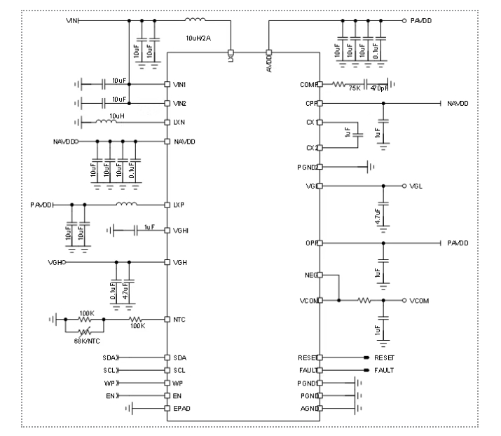
新品发布|微源半导体推出LPQ6512——中大尺寸车载显示屏专用电源芯片,引领智能座舱电源全面国产化
来源:管理员 时间:2025-07-02 14:05
分享到:
上一篇:
新品发布│ 微源半导体推出LP6273具有电荷共享功能的高压电平转换器
下一篇:
IP2336:单芯片终结2-3串锂电池快充难题!升降压一体+全协议支持 双向快充/10μA待机/电阻可编程
产品中心
充电管理芯片
DC_DC芯片
锂电保护芯片
LDO\OVP芯片
小风扇/电动牙刷/剃须刀等多合一芯片
恒流驱动芯片
电机驱动芯片
LCD/LED驱动芯片
音频功放芯片
移动电源芯片
中低压MOS管
高压MOS管
超结COOL MOS管和IGBT
应用方案
新闻动态
联系我们
0755-23012302 13686805510 工作时间 8:30 - 18:30(周一至周六)
在线客服
刘小姐:2646912308
微信二维码
Copyright © 2022 深圳市君创兴科技有限公司 All rights reserved.
粤ICP备2023015866号